Encoder Dynapar RT81024LV062C

Encoder Dynapar RT81024LV062C

O Encoder Dynapar RT81024LV062C é um dispositivo incremental de alta precisão, projetado para fornecer feedback preciso de posição e velocidade em sistemas de controle de motores AC e DC. Parte da série RT8 da Dynapar, este encoder é reconhecido por sua robustez e confiabilidade em aplicações industriais exigentes.

Encoder Dynapar RT81024LV062C

Características Técnicas do Encoder Dynapar RT81024LV062C

  • Tipo de Feedback: Incremental
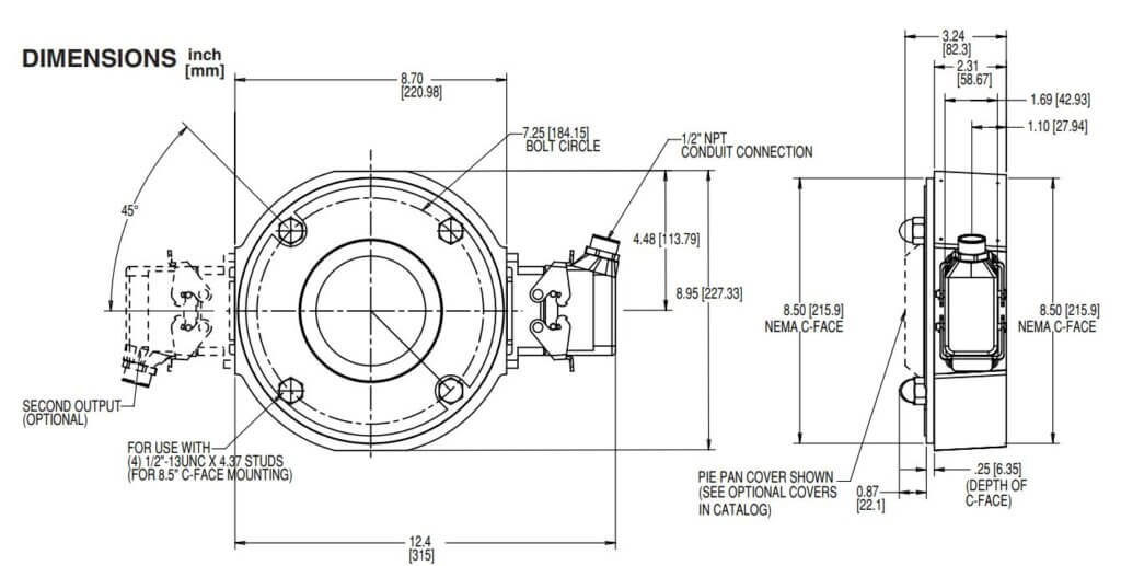
  • Configuração de Montagem: Face C NEMA 8,5″ 180
  • Tipo de Sensor: Magnético, sem rolamentos
  • Peso: 29,5 libras (aproximadamente 13,4 kg)
  • Material da Carcaça: Ferro fundido
  • Velocidade Máxima de Operação: 7.000 RPM
  • Tamanho do Eixo Vazado: 25,4 mm
  • Sinal de Saída: 5-26 VDC
  • Resolução: 1.024 PPR (Pulsos por Rotação)
  • Temperatura de Operação: -40°C a 100°C
  • Resistência a Choque: mínimo de 200G
  • Resistência à Vibração: 18G, 5-2.000Hz

Encoder Dynapar RT81024LV062C

Uma característica notável do Encoder Dynapar RT81024LV062C é seu amplo entreferro de até 0,075″ (aproximadamente 1,9 mm), facilitando a instalação e superando em mais de 50% os modelos concorrentes. Além disso, o encoder possui circuitos redesenhados que oferecem diagnóstico integrado com saída por LED e alarme, garantindo monitoramento contínuo do desempenho do sistema.

 

 

Benefícios e Aplicações – Encoder RT81024LV062C

O design sem rolamentos do Encoder Dynapar RT81024LV062C reduz a necessidade de manutenção, aumentando a durabilidade e a confiabilidade do sistema. A ampla faixa de temperatura operacional permite seu uso em ambientes industriais severos, como siderurgia, mineração e fabricação de papel e celulose. A alta resolução de 1.024 PPR torna este encoder ideal para aplicações que exigem controle preciso de velocidade e posição.

 

Instalação e Conectividade do RT81024LV062C

O Encoder Dynapar RT81024LV062C é projetado para montagem em face C NEMA 8,5″ 180, garantindo compatibilidade com uma variedade de motores industriais. A conexão é feita através de um conector industrial de travamento com rosca de 1/2″ NPT, proporcionando uma conexão segura e confiável. O RT81024LV062C também oferece proteção contra polaridade reversa e curto-circuito, aumentando a segurança e a longevidade do dispositivo.

 

A Mokka-Sensors não trabalha apenas com o Encoder Dynapar RT81024LV062C e você é muito bem vindo a conhecer os outros produtos do nosso catálogo!

Entre em contato, e solicite um orçamento.

    Leave a Reply

    O seu endereço de e-mail não será publicado. Campos obrigatórios são marcados com *